Vòng Bi 6002 là loại vòng bi cầu một dãy với thiết kế đơn giản và không thể tách rời . Chúng được sản xuất với nhiều loại nắp che khác nhau : nắp che một bên, nắp che hai bên , nắp sắt hoặc nắp nhựa .
- Đặc điểm của vòng bi 6002 là chạy rất êm,lực ma sát thấp.
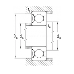
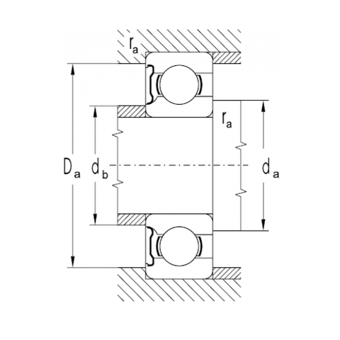
Kích thước của vòng bi 6002 :
+Đường kính trong : 15mm
+Đường kính ngoài : 32mm
+Chiều dày vòng bi : 8mm
+Loại vòng bi : vòng bi cầu một dãy
- Giải thích ký hiệu nắp che vòng bi :
+ Z : 1 nắp sắt che một bên
+ ZZ : 2 nắp sắt
+ 2RS : 2 nắp nhựa

ĐỐI TÁC CỦA CÔNG TY ĐỨC THIỆN CÓ MẶT TOÀN QUỐC
Xem danh sách